
Login
0
Overview:
- The gas sensing material used in the MQ-2B gas sensor is tin dioxide (SnO2) with lower conductivity in clean. When there is a flammable gas in the environment where the sensor is located, the conductivity of the sensor increases as the concentration of flammable gas in the increases. The change in conductivity can be converted to an output signal corresponding to the gas concentration using a simple circuit.
- The MQ-2B gas sensor is highly sensitive to propane and smoke and for the detection of natural gas and other flammable vapors. This sensor detects multiple flammable gases and a low-cost sensor for a wide of applications.
Characteristics:
This product has good sensitivity to propane, smoke, etc. in a wide concentration , and has the advantages of long life, low cost, and simple driving circuit.
Application:
Widely used in household gas leak alarms, industrial combustible gas alarms and portable gas detection instruments.

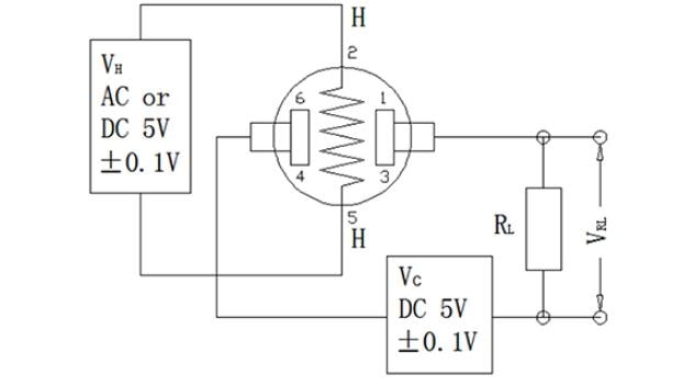
Basic Circuit:






Shipping | Delivery Period | For in-stock parts, orders are estimated to ship out in 3 days. Elecbee ships orders once a day at about 5pm except Sunday. Once shipped, estimated delivery time depends on the below carriers you chose. DHL Express: 3-7 business days DHLeCommerce: 12-22 business days FedEx International Priority: 3-7 business days EMS: 10-15 business days Registered Air Mail: 15-30 business days | |
| Shipping Rates | Shipping rates for your order can be found in the shopping cart. | ||
| Shipping Options | Shipping rates for your order can be found in the shopping cart. | ||
| Shipping Tracking | We will notify you by email with tracking number once order is shipped. You can track your order using the “Track My Order” feature. | ||
| Returning/Warranty | Returning | Returns are normally accepted when completed within 30 days from date of shipment, please contact customer service for a return authorization. Parts should be unused and in original packaging. Customer has to take charge for the shipping | |
| Warranty | All Elecbee purchases come with a 30-day money-back return policy, plus 1-year Elecbee warranty against any manufacturing defects. | ||
| This warranty shall not apply to any item where defects have been caused by improper customer assembly failure by customer to follow instructions, product modification, negligent or improper operation | |||
| Ordering | How to Buy | Elecbee accepts online orders. | |
| Add to cart > Check out > Submit order > Complete payment > Delivery | |||
| Payment | PayPal, Credit Card includes Visa, Master, American Express, Bank transfer. | ||