Y2M series circular connectors are used extensively in line connections between electrical equipment,various instruments and meters.These connectors have the features of small volume,light weight,convenient application,high durability of plugging and unplugging,good sealing performance,resistance against corrosion,high conductivity and high dielectric strength.It’s the ideal product of a new generation to replace the old “P” series connectors.

How to order

1: Name of series:Y2 series circular connectors
2: M—Industry application,Without M—Military product
3: Number of contacts:2,3,4,5,7,10,14,19,24,32,36,37,50,65,81,120
4.T—Plug,Z—Receptacle
5: Type of contacts: J—Pin,K—Socket
6:Termination: L— With Cable shell,B—Square Flange
7: M——Receptacle sealing
Technical Specifications
Working temperature: Soldering type -55 °C ~ 125 °C, Crimping type -55 °C ~ 200 °C
Relative humidity: 95% at 40°C
Working height: altitude 20000 m
Vibration: Frequency 10 Hz~2000 Hz, 147m/s2
Shock: 490 m/s2
Constant acceleration: 490 m/s2
Sealing: air pressure resistance 0.2Mpa (only sealed socket)
Mechanical Specifications
Shell: Aluminum alloy castings (Y2 series)
High-strength aluminum alloy material (LY2 series)
Plating: Nickel-plated, painted (Y2 series)
Anodized coloring, nickel plating (LY2 series)
Insulator: heat-resistant thermoplastic or thermoset material
Contact: Copper alloy material Plating Gold
Mechanical life: 500 times


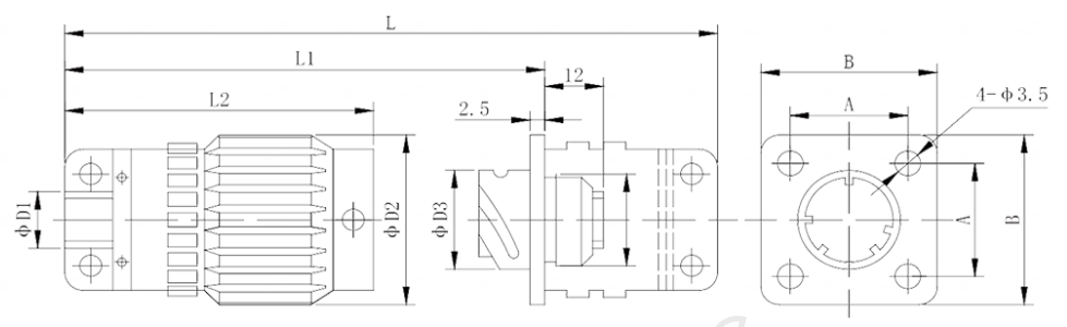
Dimensions Information


Note: Y2-3 core, 4-core, 5-core installation dimensions are equivalent to Y2-7 core installation dimensions.

Elecbee is a trusted company specializing in R&D, production, and sales of RF connectors, Circular Connector, and other electronic component. All its products are from the OEM Original Factory, the same quality at a much better price.
For further assistance or to know more about our products, live chat with us here or e-mail us at service@elecbee.com.

